Thinuna(声优诺)“聚万商 享繁华”—湖南常德万达广场
发布时间:2018-07-23来源:商场学校点击:-
德勤游艇会yth0008旗下Thinuna(声优诺)公共广播系统成功应用于整个常德万达广场项目!
常德万达广场项目简介
常德万达广场位于常德的城市核心,市委市政府规划的中央商务区所在地,交通便利、配套齐全,每座万达广场,都是毋庸置疑的城市中心。
项目总建筑面积约83万平方米,总投资额超60亿元,由大型商业广场、国际5A写字楼、室内步行街、SOHO公寓、高档住宅等组成,集购物、休闲、餐饮、娱乐、文化、居住等多功能为一体的世界级城市综合体,必将进一步提升常德商业的整体品质,加快常德商业的升级换代,极大地拉动区域经济发展,加快常德建设大都市的建设步伐。

湖南常德万达广场

湖南常德万达广场
常德万达广场采用Thinuna(声优诺)的VX-8000 广播系统集成语音疏导系统。常德万达广场广播系统共分11个区域,要求多音源输入同时播放所有区域包括(大商业、集合店和室外)。设置有消防紧急广播和一个人工紧急呼叫话筒将消防系统提高到最高级别,两个服务话筒和总服务台电脑输入音源,每个话筒可以呼叫相对应的每个区域和播放音乐。Thinuna(声优诺)的VX-8000集成语音疏导系统正好满足了所有要求。
基本功能
1、系统可按室内步行街、室内中庭、集合店和室外分区域实现播放背景音乐及音量调节。
2、能在商管总服务台进行电脑音源选择和话筒广播,能在慧云机房对整个万达广场进行话筒广播,能在慧云机房通过键盘选择预存语音文件播放信息。
3、能在慧云机房进行广播音量的调节。
4、平时系统播放背景音乐,事故时利用火灾事故广播切换器实现紧急广播优先使用功能,消防时利用火灾事故广播切换器实现消防广播优先使用功能。
5、根据需要设置喇叭,并具有消防优先功能。
6、故障报警功能

VX-8000语音疏导广播系统
VX-8000系统提供了高性能的解决方案,是安保、工业、商业、大厦、酒店、交通、电力、金融、医疗及各种应急广播的首选产品。本系统是专门设计用作背景音乐,业务广播,消防广播及各种紧急广播用途。
本系统采用了当今最先进的数字信号控制和处理技术,系统设备精简,高度整合,功能强大,控制灵活方便,同时具备了良好的拓展功能和自检功能。开放式的编程指令可以满足任何第三方控制系统实现可编程控制。
整个系统可以控制16种不同的输入音源(其中包括4支远程寻呼话筒DRM-8016)经主机4条总线音源输出,同一时间支持四种系统音源播放,利用喇叭路由器DSR-8216将四种不同音源的功率动态分配到系统的任何分区,整个系统可以最大支持64个分区。
Thinuna VX-8000系统搭配Thinuna(声优诺)CS-205A一体化型天花喇叭和Thinuna(声优诺)SK-640全天候豪华音柱覆盖整个万达广场包括有(大型商业万达百货、旗舰步行街区、,集购物、休闲、餐饮、娱乐、文化、商务等)。
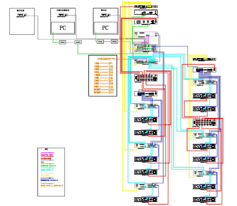
Thinuna(声优诺)VX-8000 集成语音疏导系统(如图)。
(本方案中使用的Thinuna(声优诺)CS-205A中凹的网罩格网设计提升原音重现,保证音质效果同时,也节省一定的费用,具有很高的性价比。
机房实物连接图




全球网站





